Forum BMW Série 6 E24

630, 633, 628, 635, M635, Alpina B7 et B9, Hartge...
Nous sommes le 29 Avr 2026 11:41

Heures au format UTC + 1 heure [ Heure d’été ]




Poster un nouveau sujet Répondre au sujet  [ 218 messages ]  Aller à la page Précédente  1 ... 3, 4, 5, 6, 7, 8  Suivante
Auteur Message
 Sujet du message: Re: J'ai enfin ma 635 !
MessagePosté: 08 Juil 2017 15:56 
Hors ligne
Membre du club E24 France
Avatar de l’utilisateur

Inscription: 07 Aoû 2003
Messages: 2687
Localisation: WAAAFFFFF - BELGIQUE
Sort ce chat noir du coffre de tes voitures... Tant que ce n'est qu'une pièce à 3 francs 6 sous... :mrgreen:

_________________
Image

///M3 e30 Cecotto... on se nourrit de souvenirs et pas de regrets...


Haut
 Profil  
 
 Sujet du message: Re: J'ai enfin ma 635 !
MessagePosté: 09 Juil 2017 13:44 
Hors ligne
Membre du club E24 France
Avatar de l’utilisateur

Inscription: 21 Oct 2009
Messages: 6659
- Pas de chance, vraiment :twisted: :twisted: :twisted: :twisted: :twisted:

- Allez courage Marc, :( j'espère que tout ce se résoudra au plus vite :-o


Haut
 Profil  
 
 Sujet du message: Re: J'ai enfin ma 635 !
MessagePosté: 25 Juil 2017 18:32 
Hors ligne
Avatar de l’utilisateur

Inscription: 29 Juin 2008
Messages: 6877
Localisation: Vienne (38)
Ma E24: 635CSi Phase 2
Harry a écrit:
Marco, je te soupçonne de faire exprès de mettre toute tes bmw HS, tout ça pour que je te présente mes copines.... :0: :jesors:

Vas savoir ! :lol:

PIERROTEAM a écrit:
pour la pièce vendue par 10, tu peux m'en mettre une de coté, je te la prend en novembre à Epoqauto

Pas de problème Jean-Luc ! Je vais même t'en mettre 2 de côté, car celle à l'autre bout de la tringle était aussi dans un état pitoyable ; je pense que ce dont des pièces qui doivent être en fin de vie sur pas mal d'autos :-o

Fichier(s) joint(s):
Capture.PNG
Capture.PNG [ 49.58 Kio | Vu 12178 fois ]

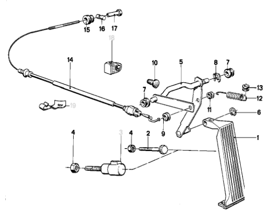
Il s'agit des pièces n° 7 :-o

bobo635 a écrit:
Tant que ce n'est qu'une pièce à 3 francs 6 sous... :mrgreen:

Vieille expression française, que ceux qui n'ont connu que l'euro ne peuvent pas connaître ! :lol:


Une photo avant la réparation :
Fichier(s) joint(s):
39_1.jpg
39_1.jpg [ 194.57 Kio | Vu 12178 fois ]

Et une après ! :D :
Fichier(s) joint(s):
40_1.jpg
40_1.jpg [ 207.13 Kio | Vu 12178 fois ]

J'en ai profité pour changer les douilles en caoutchouc de chaque côté du gros ressort, elles étaient aussi bien fatiguées, comme on le voit sur la 1ère photo pour celle du bas :mrgreen: C'est un vrai bonheur de mettre en place celle du haut :twisted:


Haut
 Profil  
 
 Sujet du message: Re: J'ai enfin ma 635 !
MessagePosté: 17 Fév 2019 11:14 
Hors ligne
Avatar de l’utilisateur

Inscription: 29 Juin 2008
Messages: 6877
Localisation: Vienne (38)
Ma E24: 635CSi Phase 2
Aller au travail en 6, un plaisir sans cesse renouvelé 8)
Fichier(s) joint(s):
Lyon 12 02 19.jpg
Lyon 12 02 19.jpg [ 251.87 Kio | Vu 11998 fois ]


Haut
 Profil  
 
 Sujet du message: Re: J'ai enfin ma 635 !
MessagePosté: 17 Fév 2019 12:02 
Hors ligne
Avatar de l’utilisateur

Inscription: 28 Sep 2011
Messages: 1701
Localisation: Devant mon iPad
:pouce:

_________________
La dictature c'est "ferme ta gueule". La démocratie c'est "cause toujours".

Rod


Haut
 Profil  
 
 Sujet du message: Re: J'ai enfin ma 635 !
MessagePosté: 17 Fév 2019 12:27 
Hors ligne
Membre du club E24 France
Avatar de l’utilisateur

Inscription: 21 Oct 2009
Messages: 6659
- :10: :pouce:

- Un excellent moyen aussi, pour se motiver d'aller au travail, lorsque le coeur n'y ai pas :D :D

- Attention par contre, à sa concentration au travail : une fois derrière son bureau, il faut oublier de penser à sa siss :mrgreen:


Haut
 Profil  
 
 Sujet du message: Re: J'ai enfin ma 635 !
MessagePosté: 19 Fév 2019 21:03 
Hors ligne
Avatar de l’utilisateur

Inscription: 01 Sep 2016
Messages: 592
Localisation: Lille (59)
Je confirme ! :mrgreen:

_________________
N'essayez jamais de convaincre une femme, il suffit d'attendre qu'elle change d'avis !

650ia E63 Tiefseeblau / M3 cab E46 Imolarot / 1602 Sahara
ex 628 csi Achatgruen / ex Z3 Coupé 2.8 ArktisSilber

Vice-PreZ/Délégué HdF BMW Z3/Z4 Club France


Haut
 Profil  
 
 Sujet du message: Re: J'ai enfin ma 635 !
MessagePosté: 24 Mar 2021 20:30 
Hors ligne
Avatar de l’utilisateur

Inscription: 29 Juin 2008
Messages: 6877
Localisation: Vienne (38)
Ma E24: 635CSi Phase 2
Je suis allé tout à l'heure chez mon carrossier, chez qui j'avais emmené la 6 pour faire réparer les bas de caisse. La réparation va être beaucoup plus importante que prévu :twisted: Les 2 longerons de chaque côté sont très attaqués par la rouille, il faut carrément les refaire, découper les parties les plus atteintes, ressouder des plaques de métal ; c'est vraiment un gros chantier :?


Haut
 Profil  
 
 Sujet du message: Re: J'ai enfin ma 635 !
MessagePosté: 24 Mar 2021 20:45 
Hors ligne
Membre du club E24 France
Avatar de l’utilisateur

Inscription: 24 Sep 2003
Messages: 5753
Localisation: "Retour aux sources, la Saintonge, 17"
Ma E24: M635CSi
Sixrocco a écrit:
Je suis allé tout à l'heure chez mon carrossier, chez qui j'avais emmené la 6 pour faire réparer les bas de caisse. La réparation va être beaucoup plus importante que prévu :twisted: Les 2 longerons de chaque côté sont très attaqués par la rouille, il faut carrément les refaire, découper les parties les plus atteintes, ressouder des plaques de métal ; c'est vraiment un gros chantier :?


:shock: :shock: :shock:

T'es sûr du gars? :|

_________________
M635 de 1987 (construite en avril 1986)


Haut
 Profil  
 
 Sujet du message: Re: J'ai enfin ma 635 !
MessagePosté: 24 Mar 2021 22:16 
Hors ligne
Avatar de l’utilisateur

Inscription: 28 Aoû 2006
Messages: 3704
Localisation: ROUEN
Ma E24: 628CSi Phase 2
Sixrocco a écrit:
Je suis allé tout à l'heure chez mon carrossier, chez qui j'avais emmené la 6 pour faire réparer les bas de caisse. La réparation va être beaucoup plus importante que prévu :twisted: Les 2 longerons de chaque côté sont très attaqués par la rouille, il faut carrément les refaire, découper les parties les plus atteintes, ressouder des plaques de métal ; c'est vraiment un gros chantier :?



Oup's :twisted:
A ce point ???

_________________
BM sous pluie...BM qui rit !


Haut
 Profil  
 
 Sujet du message: Re: J'ai enfin ma 635 !
MessagePosté: 25 Mar 2021 12:55 
Hors ligne
Membre du club E24 France
Avatar de l’utilisateur

Inscription: 21 Oct 2009
Messages: 6659
Sixrocco a écrit:
Je suis allé tout à l'heure chez mon carrossier, chez qui j'avais emmené la 6 pour faire réparer les bas de caisse. La réparation va être beaucoup plus importante que prévu :twisted: Les 2 longerons de chaque côté sont très attaqués par la rouille, il faut carrément les refaire, découper les parties les plus atteintes, ressouder des plaques de métal ; c'est vraiment un gros chantier :?


- Oui, ça m'étonne aussi :shock: :shock:


Haut
 Profil  
 
 Sujet du message: Re: J'ai enfin ma 635 !
MessagePosté: 25 Mar 2021 14:45 
Hors ligne
Membre du bureau du club
Avatar de l’utilisateur

Inscription: 25 Déc 2006
Messages: 4772
Localisation: Le 93 ou dans ma siss à la rencontre de mes potes.
Ma E24: 628CSi Phase 2
Etrange pour une voiture bien entretenue, qui passe sans soucis au CT…
Il faut demander conseille à Marcel et Kevin 8) .

_________________
"La passion des anciennes"
628 CSI 06/1986

"Nous entretenons le patrimoine roulant pour les générations futures" => Ary VATANEN


Haut
 Profil  
 
 Sujet du message: Re: J'ai enfin ma 635 !
MessagePosté: 25 Mar 2021 16:05 
Hors ligne
Membre du club E24 France
Avatar de l’utilisateur

Inscription: 30 Nov 2020
Messages: 1325
Ma E24: M635CSi
C'est bizarre que ça n'a pas été détecté avant ! La rouille ça galope mais pas à ce point là. surtout si le véhicule est suivi. Il dort dedans je suppose aussi ? Après c'est une hypothèse si la corrosion vient du "dedans" c'est possible. Mais bon normalement on voit arriver l’embrouille avant de devoir changer deux longerons ?

_________________
☀️☀️==00==☀️☀️


Haut
 Profil  
 
 Sujet du message: Re: J'ai enfin ma 635 !
MessagePosté: 25 Mar 2021 16:48 
Hors ligne
Membre du bureau du club
Avatar de l’utilisateur

Inscription: 05 Nov 2005
Messages: 1423
Localisation: Corrèze
Marc, n'y aurait-il pas confusion entre bas de caisse et longeron dans ton message ?
C'est pas du tout la même chose et je serai surpris que tes longerons soient morts.

_________________
Trésorier BMW Club E24 France
http://www.bmwclube24.fr/

Image


Haut
 Profil  
 
 Sujet du message: Re: J'ai enfin ma 635 !
MessagePosté: 26 Mar 2021 09:47 
Hors ligne
Membre du club E24 France
Avatar de l’utilisateur

Inscription: 21 Oct 2009
Messages: 6659
Thierry19 a écrit:
Marc, n'y aurait-il pas confusion entre bas de caisse et longeron dans ton message ?
C'est pas du tout la même chose et je serai surpris que tes longerons soient morts.


- +1, même avis ... :roll: :roll:


Haut
 Profil  
 
 Sujet du message: Re: J'ai enfin ma 635 !
MessagePosté: 27 Mar 2021 17:00 
Hors ligne
Avatar de l’utilisateur

Inscription: 29 Juin 2008
Messages: 6877
Localisation: Vienne (38)
Ma E24: 635CSi Phase 2
C'est au dernier contrôle technique, en juillet dernier, que le contrôleur a détecté une corrosion importante du châssis :|

Ce sont bien les 2 longerons qu'il faut reprendre entièrement, surtout celui de droite à l'arrière qui est très attaqué. Une réparation de fortune avait déjà été effectuée à cet endroit par l'ancien propriétaire.

C'est vrai que la robe de la belle est impeccable, mais ses dessous... Cette corrosion vient sûrement de ses jeunes années passées au bord de la Méditerranée... :(


Haut
 Profil  
 
 Sujet du message: Re: J'ai enfin ma 635 !
MessagePosté: 27 Mar 2021 17:57 
Hors ligne
Membre du bureau du club
Avatar de l’utilisateur

Inscription: 25 Déc 2006
Messages: 4772
Localisation: Le 93 ou dans ma siss à la rencontre de mes potes.
Ma E24: 628CSi Phase 2
Pas le choix, il va faire entreprendre ce gros chantier.... :?

_________________
"La passion des anciennes"
628 CSI 06/1986

"Nous entretenons le patrimoine roulant pour les générations futures" => Ary VATANEN


Haut
 Profil  
 
 Sujet du message: Re: J'ai enfin ma 635 !
MessagePosté: 27 Mar 2021 19:21 
Hors ligne
Avatar de l’utilisateur

Inscription: 29 Juin 2008
Messages: 6877
Localisation: Vienne (38)
Ma E24: 635CSi Phase 2
Oui, comme tu dis Harry, je n'ai pas vraiment le choix :?
C'est une question de vie ou de mort pour l'auto, qui ne serait pas passée au prochain CT
Et effectivement c'est un gros chantier, qui implique de descendre le train arrière pour pouvoir travailler sur le longeron droit


Haut
 Profil  
 
 Sujet du message: Re: J'ai enfin ma 635 !
MessagePosté: 27 Mar 2021 22:50 
Hors ligne
Membre du club E24 France
Avatar de l’utilisateur

Inscription: 21 Oct 2009
Messages: 6659
- Pas cool pour cette mauvaise nouvelle Marc :? :?

- Mais te connaissant et te sachant "accro" à TA siss, tu vas choisir le meilleur pour elle.

- De faire les choses une bonne et unique fois !!


Haut
 Profil  
 
 Sujet du message: Re: J'ai enfin ma 635 !
MessagePosté: 28 Mar 2021 08:44 
Hors ligne
Avatar de l’utilisateur

Inscription: 29 Juin 2008
Messages: 6877
Localisation: Vienne (38)
Ma E24: 635CSi Phase 2
Oui, c'est tout à fait çà Guillaume :)
Ce qui est frustrant, c'est que tout le travail qui va être accompli... ne se verra pas !, comme pour les planchers de Ssynthia. Du moins au 1er coup d'œil ; il faudra que je prenne des photos :lol: Déjà pour son dossier, et pour une nouvelle expertise de l'auto que je m'empresserai de demander une fois la réparation terminée 8)
Comme quoi les contrôles techniques ont du bon, je n'aurais jamais rien remarqué si le contrôleur ne m'avait pas alerté


Haut
 Profil  
 
 Sujet du message: Re: J'ai enfin ma 635 !
MessagePosté: 28 Mar 2021 08:56 
Hors ligne

Inscription: 26 Juil 2016
Messages: 1300
Localisation: Nord
C'est un coup dur , mais un mal pour un bien . :wink:

_________________
Image


Dernière édition par 6 L le 28 Mar 2021 09:14, édité 1 fois.

Haut
 Profil  
 
 Sujet du message: Re: J'ai enfin ma 635 !
MessagePosté: 28 Mar 2021 09:11 
Hors ligne
Avatar de l’utilisateur

Inscription: 29 Juin 2008
Messages: 6877
Localisation: Vienne (38)
Ma E24: 635CSi Phase 2
Oui, elle va repartir ensuite avec un châssis comme neuf ! :)


Haut
 Profil  
 
 Sujet du message: Re: J'ai enfin ma 635 !
MessagePosté: 29 Mar 2021 11:48 
Hors ligne
Membre du club E24 France
Avatar de l’utilisateur

Inscription: 30 Nov 2020
Messages: 1325
Ma E24: M635CSi
Ca évite les gros accidents comme "avant" ou on ne voyait pas la rouille et a voiture se cassait en deux sur un nid de poule. Ma voiture a dormi à l'intérieur mais c'est une crainte que j'ai.
en plus je suis d'accord c'est frustrant car ça ne se voit pas... N'hésite pas à bombarder de photos !

_________________
☀️☀️==00==☀️☀️


Haut
 Profil  
 
 Sujet du message: Re: J'ai enfin ma 635 !
MessagePosté: 29 Mar 2021 18:47 
Hors ligne
Avatar de l’utilisateur

Inscription: 29 Juin 2008
Messages: 6877
Localisation: Vienne (38)
Ma E24: 635CSi Phase 2
Bien-sûr ! :wink: Où ta 6 a-t-elle vécu ses années de jeunesse ? :)
La mienne, c'était à Nice, au bon air marin...! :mrgreen:


Haut
 Profil  
 
 Sujet du message: Re: J'ai enfin ma 635 !
MessagePosté: 16 Avr 2021 20:47 
Hors ligne
Membre du club E24 France
Avatar de l’utilisateur

Inscription: 21 Oct 2009
Messages: 6659
- Et toi Marco ? où en es-tu avec ta siss ??


Haut
 Profil  
 
 Sujet du message: Re: J'ai enfin ma 635 !
MessagePosté: 17 Avr 2021 08:16 
Hors ligne
Avatar de l’utilisateur

Inscription: 29 Juin 2008
Messages: 6877
Localisation: Vienne (38)
Ma E24: 635CSi Phase 2
En principe, je devrais pouvoir aller la chercher à la fin de la semaine prochaine :-o


Haut
 Profil  
 
 Sujet du message: Re: J'ai enfin ma 635 !
MessagePosté: 29 Avr 2021 18:04 
Hors ligne
Membre du bureau du club
Avatar de l’utilisateur

Inscription: 25 Déc 2006
Messages: 4772
Localisation: Le 93 ou dans ma siss à la rencontre de mes potes.
Ma E24: 628CSi Phase 2
Alors tu as récupéré ta titine ?

_________________
"La passion des anciennes"
628 CSI 06/1986

"Nous entretenons le patrimoine roulant pour les générations futures" => Ary VATANEN


Haut
 Profil  
 
 Sujet du message: Re: J'ai enfin ma 635 !
MessagePosté: 30 Avr 2021 17:44 
Hors ligne
Avatar de l’utilisateur

Inscription: 29 Juin 2008
Messages: 6877
Localisation: Vienne (38)
Ma E24: 635CSi Phase 2
Non...Les délais de carrosserie sont toujours très longs, parles-en à Tof :jesors:
Je dois appeler tout à l'heure pour savoir où elle en est :-o


Haut
 Profil  
 
 Sujet du message: Re: J'ai enfin ma 635 !
MessagePosté: 30 Avr 2021 17:54 
Hors ligne
Avatar de l’utilisateur

Inscription: 29 Juin 2008
Messages: 6877
Localisation: Vienne (38)
Ma E24: 635CSi Phase 2
Normalement c'est bon pour la semaine prochaine ! :D


Haut
 Profil  
 
 Sujet du message: Re: J'ai enfin ma 635 !
MessagePosté: 30 Avr 2021 18:00 
Hors ligne
Membre du bureau du club
Avatar de l’utilisateur

Inscription: 25 Déc 2006
Messages: 4772
Localisation: Le 93 ou dans ma siss à la rencontre de mes potes.
Ma E24: 628CSi Phase 2
Ca c'est cool :pouce:

_________________
"La passion des anciennes"
628 CSI 06/1986

"Nous entretenons le patrimoine roulant pour les générations futures" => Ary VATANEN


Haut
 Profil  
 
Afficher les messages postés depuis:  Trier par  
Poster un nouveau sujet Répondre au sujet  [ 218 messages ]  Aller à la page Précédente  1 ... 3, 4, 5, 6, 7, 8  Suivante

Heures au format UTC + 1 heure [ Heure d’été ]


Qui est en ligne

Utilisateurs parcourant ce forum: Aucun utilisateur enregistré et 5 invités


Vous ne pouvez pas poster de nouveaux sujets
Vous ne pouvez pas répondre aux sujets
Vous ne pouvez pas éditer vos messages
Vous ne pouvez pas supprimer vos messages
Vous ne pouvez pas joindre des fichiers

Rechercher:
Aller à:  
Développé par phpBB® Forum Software © phpBB Group
Traduction par phpBB-fr.com